Hallo Freunde des gepflegten Kaffees
Ich habe eine WMF 1000 Pro S Barista (03 0510 0002) von 2011 (Brüheinheit von oben) aus der Bucht geholt, Fehlermeldung "Maschine heizt auf". Es erscheint außerdem die Anzeige "Brüher einsetzen" obwohl die Brüheinheit eingesetzt ist. Der Motor macht mit und ohne Brühgruppe keine Indexfahrt oder irgendeine Bewegung. Platine ist eine WMF800 Rev.3, 01/08, CW, (Scheinbar kompatibel mit WMF800/1200F, benötigt aber ggf. andere Software)
Problem gelöst, folgendes Versucht:
- Stecker X3 oberflächlich geprüft (scheinbar OK)
- Motor mit meiner Solis getauscht (war OK)
- Schalter der der Maschine mitteilt das die Brüheinheit eingesetzt ist geprüft (war OK)
- Stecker X3 zerlegt (das war der Fehler)
Anleitung Gehäuse öffnen:
Ich habe bei der Suche nach einer Anleitung die Maschine zu öffnen festgestellt das es zu diesem Modell nichts gibt. Hier also ein paar Bilder von meiner Exkursion, teilweise Details in den Antworten weiter unten - Have Fun!

WMF 1000 Pro S Barista (03 0510 0002) von 2011
Maschine Stromlos machen, Stecker ziehen!

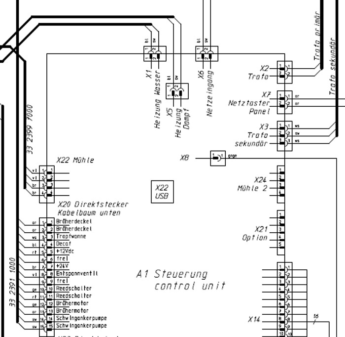
Die zwei Schrauben an der Tassenablage lösen und diese hochziehen und nach hinten schieben. Damit kommt man an die Platine und zb. den Anschluss X3

Um an die Mühle und den Microschalter für den Deckel zu kommen diese Schrauben lösen.

Dann kann man das Plastikteil nach oben herausnehmen. Dazu diese Steckverbindung lösen.

Das sieht dann so aus.

Um den Motor der Brüheinheit auszubauen diesen Sprengring lösen, das Zahnrad nach oben abziehen und die darunter liegende Gummischeibe abnehmen.

Um dann den Motor auszubauen diese 3 Schrauben lösen. Dazu braucht man ca 10m Verlängerungen und einen passenden Torx. Die waren bei mir echt fest <10 NM

Vorher an der Unterseite die Abdeckung entfernen.

Das sieht dann so aus. Der Schaumstoff ist auf den Motor geklebt, den kann man vorsichtig abziehen und wieder verwenden. Die Wasserpumpe darüber ist mit 4 Schrauben befestigt.

Die Platine bei mir ist eine WMF800 Rev.3, 01/08, CW
Fortsetzung der Anleitung:
- Verkleidung der WMF 1000 pro S demontieren >> Antwort #8
- Magnetschalter ausbauen und messen >> Antwort #12
- Stecker X2 / X3 checken >> Antwort 16
Lösung
Es war der Stecker X3 !!! Obwohl ich den zuvor bereits gereinigt hatte, ein versteckter Fehler (siehe Details unten)
Ich habe eine WMF 1000 Pro S Barista (03 0510 0002) von 2011 (Brüheinheit von oben) aus der Bucht geholt, Fehlermeldung "Maschine heizt auf". Es erscheint außerdem die Anzeige "Brüher einsetzen" obwohl die Brüheinheit eingesetzt ist. Der Motor macht mit und ohne Brühgruppe keine Indexfahrt oder irgendeine Bewegung. Platine ist eine WMF800 Rev.3, 01/08, CW, (Scheinbar kompatibel mit WMF800/1200F, benötigt aber ggf. andere Software)
Problem gelöst, folgendes Versucht:
- Stecker X3 oberflächlich geprüft (scheinbar OK)
- Motor mit meiner Solis getauscht (war OK)
- Schalter der der Maschine mitteilt das die Brüheinheit eingesetzt ist geprüft (war OK)
- Stecker X3 zerlegt (das war der Fehler)
Anleitung Gehäuse öffnen:
Ich habe bei der Suche nach einer Anleitung die Maschine zu öffnen festgestellt das es zu diesem Modell nichts gibt. Hier also ein paar Bilder von meiner Exkursion, teilweise Details in den Antworten weiter unten - Have Fun!
WMF 1000 Pro S Barista (03 0510 0002) von 2011
Maschine Stromlos machen, Stecker ziehen!
Die zwei Schrauben an der Tassenablage lösen und diese hochziehen und nach hinten schieben. Damit kommt man an die Platine und zb. den Anschluss X3
Um an die Mühle und den Microschalter für den Deckel zu kommen diese Schrauben lösen.
Dann kann man das Plastikteil nach oben herausnehmen. Dazu diese Steckverbindung lösen.
Das sieht dann so aus.
Um den Motor der Brüheinheit auszubauen diesen Sprengring lösen, das Zahnrad nach oben abziehen und die darunter liegende Gummischeibe abnehmen.
Um dann den Motor auszubauen diese 3 Schrauben lösen. Dazu braucht man ca 10m Verlängerungen und einen passenden Torx. Die waren bei mir echt fest <10 NM
Vorher an der Unterseite die Abdeckung entfernen.
Das sieht dann so aus. Der Schaumstoff ist auf den Motor geklebt, den kann man vorsichtig abziehen und wieder verwenden. Die Wasserpumpe darüber ist mit 4 Schrauben befestigt.
Die Platine bei mir ist eine WMF800 Rev.3, 01/08, CW
Fortsetzung der Anleitung:
- Verkleidung der WMF 1000 pro S demontieren >> Antwort #8
- Magnetschalter ausbauen und messen >> Antwort #12
- Stecker X2 / X3 checken >> Antwort 16
Lösung
Es war der Stecker X3 !!! Obwohl ich den zuvor bereits gereinigt hatte, ein versteckter Fehler (siehe Details unten)
Dieser Beitrag wurde bereits 5 mal editiert, zuletzt von Alienbrain ()
Nachdem ich das Gehäuse jetzt demontieren konnte (siehe